POLYFUNKČNÍ DŮM JUNGMANNOVA

2013 DÚR 2014 DSP 2015 DPS 2017 REALIZACE

ARCHITEKTONICKÝ NÁVRH: Atelier AV19 s.r.o.

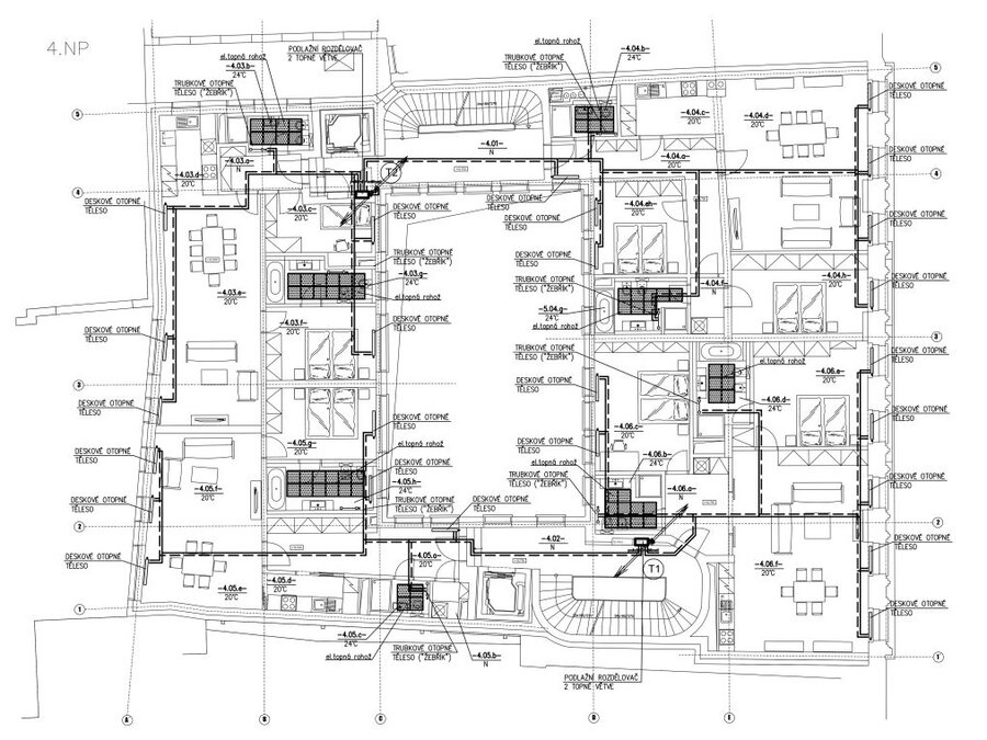
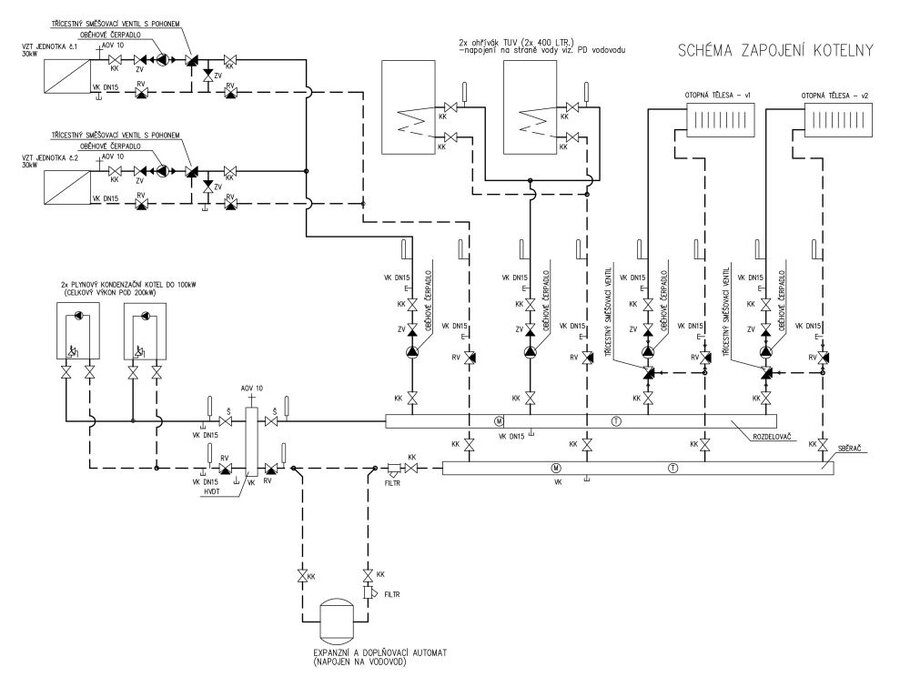
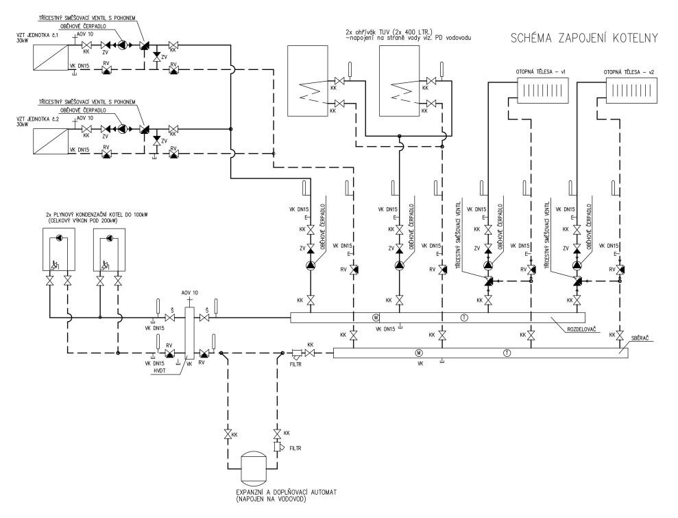
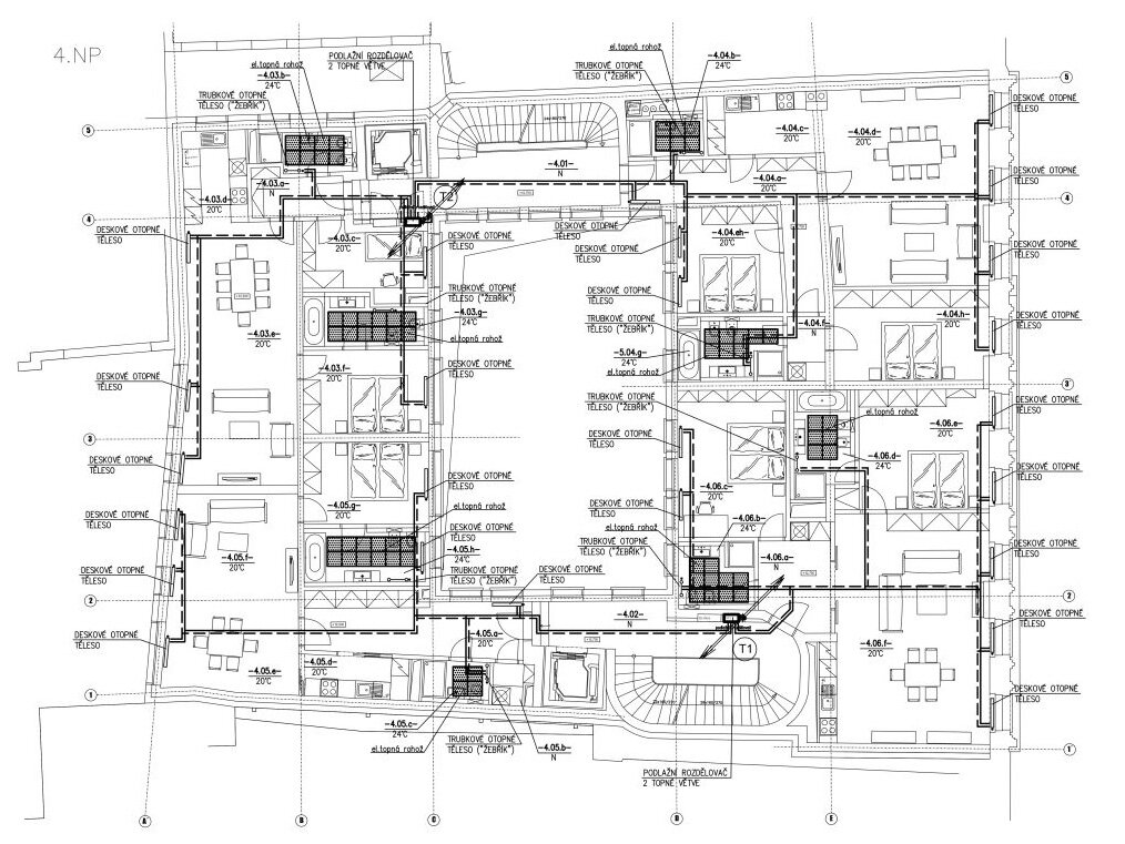
Objekt se nachází v památkově chráněném území Pražské památkové rezervace. Rekonstrukce a dostavba objektu řešila demolici celého objektu, při zachováno obvodového zdiva a hlavního schodiště a výstavbu nového objektu v hmotě původní stavby s dispozicemi pro obytné účely v nadzemních podlažích a nebytové využití v přízemí a 1. patře. Nově budou provedeny veškeré technologie, vnitřní rozvody TZB, přípojky a výtahy.

Naše společnost Růžička a partneři s.r.o. zajišťovala technickou koordinaci a prováděcí projektovou dokumentaci všech profesí TZB (kanalizace, vodovod, plynovod, vytápění, vzduchotechnika a chlazení, silnoproud, slaboproud a MaR), nové a překládané přípojky a požárně bezpečnostní řešení. V rámci rekonstrukce objektu bylo nutné vyřešit přesun vestavěné trafostanice 630 kVA v rámci objektu.

KLIENT


Euclide Invest s.r.o.

ARCHITEKTONICKÝ NÁVRH


Atelier AV19 s.r.o.

STAVEBNÍ ČÁST


Atelier AV19 s.r.o.

SPOLUPRÁCE


VZT: Projekční kancelář vzduchotechnika – hluk, Ing. Miroslav Rathouský
elektroinstalace a MaR: Altera – elektrické systémy, Ing. Jaroslav Altera
požárně bezpečnostní řešení: Ater International s.r.o., Ing. Hana Menclová, Ph.D.