PALÁC NÁRODNÍ - DRN

2014 DSP 2015 DPS 2018 DOKONČENÍ STAVBY

ARCHITEKTONICKÝ NÁVRH: Ing. Arch. Stanislav Fiala

„PALÁC NÁRODNÍ“, dnes všeobecně známý jako „DRN“, vznikl ve velmi atraktivní exponované poloze na nároží ulic Národní a Mikulandská v Praze 1. Charakteristickým parametrem tohoto projektu je propojení existujícího barokního Schönkirchovského paláce a novostavby, která vyplní volnou nárožní parcelu směrem do ulice Národní. Tato proluka na tak významné pražské třídě byla již dlouhá léta velmi frekventovaným úkolem pro české architekty i investory, kteří se tu dlouhá léta pokoušeli ztvárnit řadu různých variací domů.
Cílem projektu bylo zpřístupnit veřejnosti co možná největší části prostor, přiléhajících k městskému parteru, tedy celé přízemí - 1.NP, převážnou většinu 2.NP a také první suterén pod vnitřním dvorem. Objektem chceme "protáhnout" pasáž, která by spojovala jakousi zkratkou ulici Národní a Mikulandskou. Tato pasáž, která je pro vnitřní Prahu typickým prvkem, by dovedla lidi na vnitřní dvůr, který bude ztvárněn jako velmi přirozeně přívětivé místo k pobytu s jedním vzrostlým stromem a se zelení, osvěžující tuto městskou oázu. Toto místo bude obklopeno restauracemi, kavárnami a jinými podobnými prostory. Dále je uvažováno s propojením jižního sousedního domu, což by mohlo zakládat nové podmínky pro zpřístupňování tajemných vnitřních labyrintů pražských dvorů širší veřejnosti.

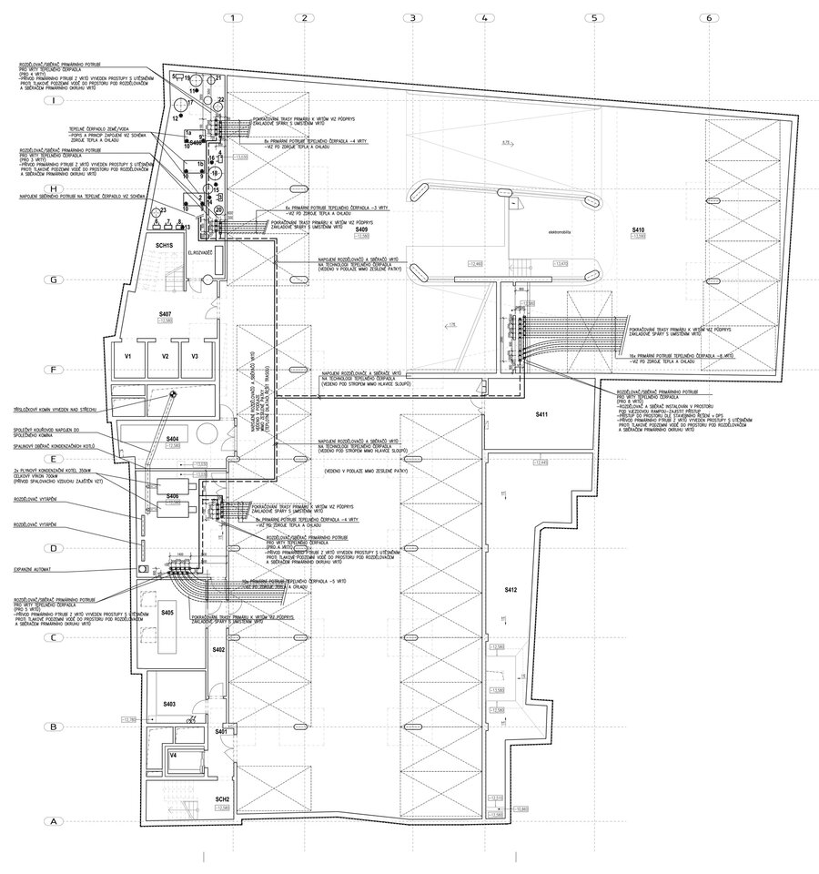
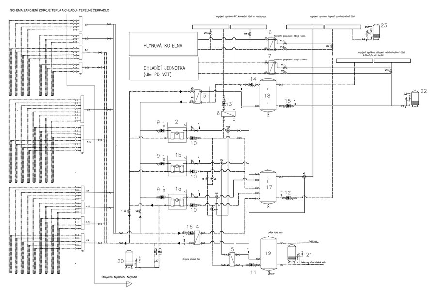
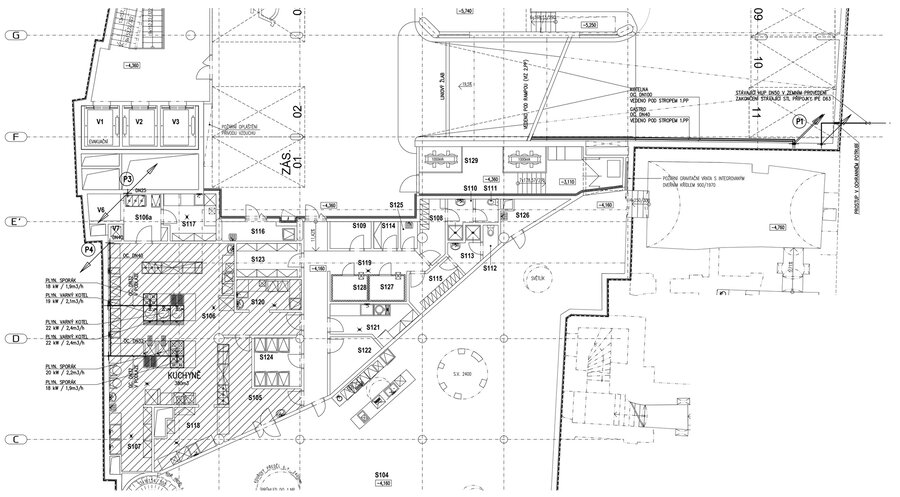
Naše kancelář Růžička a partneři s.r.o. zajišťovala projektovou dokumentaci ZTI, plynovodu, vytápění i zdroje tepla a chladu vč. systému regulace a měření systémů TZB. Naše kancelář je také spoluautorem unikátního řešení vnitřního prostředí kanceláří, kdy každé pracovní místo v objektu umožňuje přirozené větrání a přístup na terasu, která lemuje celý objet v kombinaci s možností souběžného topení a chlazení libovolných kancelářských buněk na jednotlivých podlažích. Objekt má realizován systém vytápění a chlazení pomocí kombinace podlahového rozvodu topných trubek a systému stropního rozvodu oBKT, který je regulován šesticestnými ventily ve stropní konstrukci v každé variabilní kancelářské buňce.

KLIENT


Palác národní a.s.

AUTOR NÁVRHU


Ing. arch Stanislav Fiala

HLAVNÍ PROJEKTANT


Fiala + Nemec, s.r.o.

SPOLUPRÁCE


VZT: UNIKLIMA, Ing. Martin Lučanský
elektroinstalace: Elektropro
M+R: Draconis s.r.o., Ing. Miroslav Hříbal
stabilní hasící zařízení: SJL a.s.
PBŘ: Kancelář požární bezpečnosti staveb, Ing. Josef Filipčík