BYTOVÝ DŮM WENZIGOVA

2004 RP

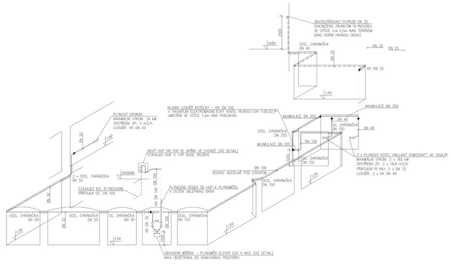
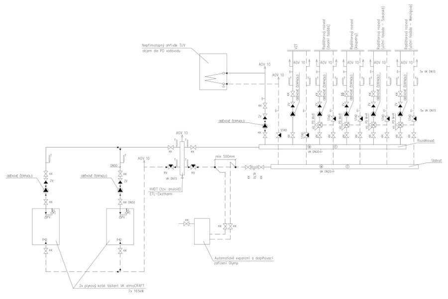
Stávající objekt byl přestavěn na hotel. Naše kancelář projektovala mimo jiné vnitřní kanalizaci a přípojku do veřejné stoky. Splaškové vody z nadzemních i podzemního podlaží a dešťové vody ze střech objektu a ze dvora jsou vedeny svodným potrubím pod podlahou 1. podzemního podlaží do nové přípojky jednotné veřejné kanalizační sítě. Odpady v 1.PP budou chráněny proti vzduté vodě. Připojovací, odpadní a svodné potrubí bude nové, všechny stávající instalace a potrubí budou zrušeny.

KLIENT


East projekt, s. r. o.